Seite 2 von 4
Re: 65 K-Code Coupe, neue Räder
Verfasst: Fr 19. Jul 2024, 22:12
von 68GT500
sally67 hat geschrieben: ↑Do 18. Jul 2024, 18:07
Hi Michael,
wenn das meine Blattfedern sind,sollten die doch einigermaßen durch sein.
20K mls haben die sicherlich runter.
Und,TT´s gehen immer! Ich weiss wovon ich spreche
Gruß und
Hi Martin,
nein, nicht die von Dir.
mfg
Michael
Re: 65 K-Code Coupe, neue Räder
Verfasst: Fr 19. Jul 2024, 23:13
von yab
Die Caps hier bieten viel Hohlraum für viel Geld.

Sind aber eh zu "verspielt" für deinen K-Code.
Re: 65 K-Code Coupe, neue Räder
Verfasst: Sa 20. Jul 2024, 09:51
von mado
Ich habe die vorderen caps dicker gemacht und hinten eine Ausdrehung für die Fettkappen.
Re: 65 K-Code Coupe, neue Räder
Verfasst: So 21. Jul 2024, 10:43
von 68GT500
Maurizio,
wow, sehr cool - kannst Du die Kappen bauen? Natürlich ohne Logo, ganz schlicht.
mfg
Michael
Re: 65 K-Code Coupe, neue Räder
Verfasst: So 21. Jul 2024, 11:21
von Stephan-84
mado hat geschrieben: ↑Sa 20. Jul 2024, 09:51
Ich habe die vorderen caps dicker gemacht und hinten eine Ausdrehung für die Fettkappen.
Hi Maurizio,
Die gefallen mir sehr gut. Sind die ausgefräst oder lasergeschnitten und nur die Löcher gebohrt und gesenkt?
Hättest du eventuell ein 3D oder DXF File davon?
Weiß jemand ob die Nabenkappen für die originalen American Racing und die Maxilite nachbauten gleich sind?
Gruß
Stephan
Re: 65 K-Code Coupe, neue Räder
Verfasst: So 21. Jul 2024, 15:08
von mado
Ich kann die leider nicht selbst herstellen.
Ich habe die aus Edelstahl fräsen lassen.
Das Schleifen und Hochglanzpolieren hab ich dann bei uns in der Firma gemacht.
Eine Zeichnung kann ich nächste Woche gerne hier hochladen.
Ich habe auch eine 3D Datei erstellt.
Ich muss das mal raussuchen.
Wenn die jemand haben möchte, schreibt mir kurz Eure E-Mail Adresse.
Re: 65 K-Code Coupe, neue Räder
Verfasst: So 21. Jul 2024, 18:25
von tornado63
Moin Moin zusammen,
die Plastik-Nabenkappen in Joghurt-Becher-Optik, die bei unseren Torque Thrust Felgen dabei waren haben wir gleich entsorgt. Bei "KruseBuilt" haben wir sehr schöne und schlichte Nabenkappen gefunden, die perfekt zu den Felgen passen.

- Screenshot 2024-07-21 180926.png (252.61 KiB) 1793 mal betrachtet
Schöne Grüße aus Flensburg
Re: 65 K-Code Coupe, neue Räder
Verfasst: Mo 22. Jul 2024, 20:53
von mado
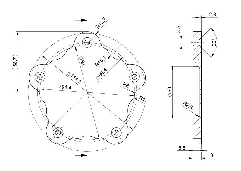
Hier noch die Zeichnungen der Nabenkappen.
Die Fettkappen habe ich leicht plattgeklopft, damit die vorderen Nabenkappen nicht zu dick werden.
Ich würde noch einmal den Überstand der Fettkappen am Fahrzeug messen und eventuell die Tiefe der Ausnehmung um 0,5 mm reduzieren,
damit die verbleibende Wandstärke von 1,5 mm auf 2 mm erhöht wird.
Ach ja, die Maße sind in mm

.

- Nabenkappe.JPG (44.17 KiB) 1654 mal betrachtet

- Nabenkappe-Vorne.JPG (47.21 KiB) 1654 mal betrachtet
Re: 65 K-Code Coupe, neue Räder
Verfasst: Mo 22. Jul 2024, 21:53
von 68GT500
Danke Maurizio!!
Sehr cool, ich checke mal, ob die jemand nach der Zeichnung bauen kann.
mfg
Michael
Re: 65 K-Code Coupe, neue Räder
Verfasst: Di 23. Jul 2024, 21:41
von Stephan-84
Nochmals vielen Dank an Maurizio.
Bevor ich was aus Alu oder Edelstahl fertigen lasse, habe ich heute mal einen Deckel per 3D Druck hergestellt.
Ergebnis ist, das die Maxilite Felgen von den Nabenkappen eine 1zu1 Kopie der American Racing sind. Das Teil hat 1a gepasst.
Siehe vorher nachher:

- original.jpg (184.21 KiB) 1564 mal betrachtet

- original_und_3ddruck.jpg (283.17 KiB) 1564 mal betrachtet

- 3ddruck.jpg (182.68 KiB) 1564 mal betrachtet
Mit hochprofessionellen Messmitteln

habe ich mal den Überstand der Fettkappe ermittelt:

- Messung_Fettkappe.jpg (140.98 KiB) 1564 mal betrachtet
Bei schaut die ca. 6 mm raus. Ich werde das Teil jetzt mal so anpassen, dass die Tiefe der Aussparung 7 mm beträgt. Dann sollte es passen ohne die Fettkappen nachzuarbeiten.
Habe mir auch schon überlegt mal zu versuchen das 3D gedruckte Teil zu schleifen, füllern bzw. spachteln und lackieren.