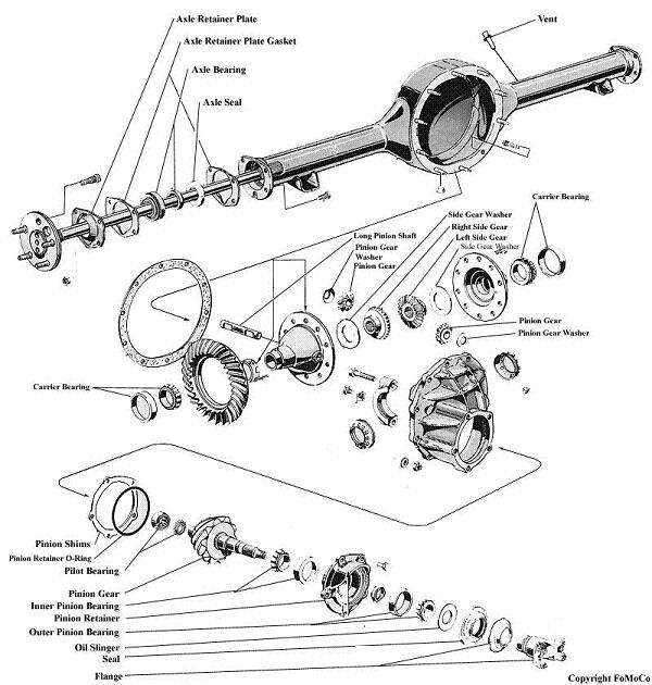
gestern habe ich festgestellt, dass das 9" Differenzial meines Fastbacks leckt. Tropfen tut es noch nicht, aber trotzdem möchte ich es dicht bekommen.
Bisher habe ich schon in vielen Shops gesucht, bin aber noch nicht fündig geworden.
Die große Dichtung für das 9" Differenzial ist dicht und findet man z.B. hier: http://www.aamshop.de/64-73-Dichtung-9-Differential

Wer kann mir einen Tipp geben, wo ich die Dichtung kaufen kann?
Gruß Kalli






