Analog zum Beitrag Nachrüstung: AUX-In für Originalradio 65/66 folgt hier eine Beschreibung für eine sehr einfache und kostengünstige Nachrüstung eines symmetrischen AUX-Eingangs an einem AM/FM-Stereo Originalradio (1969er Mustang). Ziel war es wiederum einen flexibel verwendbaren Eingang mit möglichst einfachen Mitteln zu realisieren und dabei das Radio soweit wie möglich unverändert zu lassen. Auch hier bleibt der ursprüngliche Klangcharakter erhalten, allerdings hat das AM/FM-Stereo Radio eine viel bessere klangliche Basis als das ältere AM-Radio.
Ich habe diese Schaltung mit einem einfachen Mini-FM-Radio sowie mit meinem Smart-Phone ausprobiert und war zufrieden.
Meinen Dank an Harry (Harry1003), der mir vertrauensvoll sein wertvolles Originalradio für diesen Umbau und einen hilfreichen Schaltplan zur Verfügung gestellt hat.
Ich freue mich auch dieses Mal auf eure Erfahrungen beim Umbau sowie auf Feedback, Hinweise und Gedanken zu möglichen Verbesserungen.
Viele Grüße
André
--- +++ --- +++ ---
Allgemeine Beschreibung:
- Der AUX-Eingang ist so ausgelegt, dass er Stereo-Signale von üblichen Ohr-/Kopfhörer Ausgängen aufnehmen kann. Der AUX-Eingang weist mindestens eine Impedanz von 32Ohm auf, was für die meisten Ausgänge der Zuspieler unkritisch sein sollte.
- Die Schaltung hat ein Potentiometer mit dem Anpassungen des Eingangspegels (Lautstärke) vorgenommen werden können. Dadurch soll ein Übersteuern je nach verwendetem Zuspiel-Gerät verhindert werden, z.B. dann nützlich, wenn ein kräftigerer Zuspieler verwendet wird.
Zumeist dürfte am Potentiometer eine hochohmige Position ggü. Masse vorteilhaft sein (z.B. ganz am Anschlag), so dass der Ausgang des Zuspielers nur gering belastet wird. - Das Potentiometer habe ich an der rechten Seite des Radios eingebaut (von vorne betrachtet), so dass es vom Handschuhfach aus erreichbar ist, falls eine spätere Änderung der Anpassung erforderlich sein sollte.
- Das Signal des Zuspiel-Geräts wird dem normalen Signal des Radios (AM oder FM) passiv in der Lautstärke-Regelungs-Einheit am Balance-Regler zugemischt / überlagert.
- Wie beim AM-Radio des 65ers sollte also eine Frequenz gesucht werden, auf der es kein Signal und nur geringes Rauschen gibt. Dieses war aber beim 69er Radio nicht so einfach. Der Empfänger ist einfach empfindlicher.
- Daher gibt es einen weiteren Kippschalter, der die Spannungsversorgung des AM-Empfangsteils unterbricht. Dann kann in der AM-Stellung des Schalters an der Vorderseite des Radios das AUX-In Signal (und nur dieses) wiedergegeben werden. Der elektrische Anschluss des Kippschalters wird im folgenden Beitrag in diesem Thread beschrieben.
- In der FM-Stellung wird normales FM-Radio wiedergegeben. Der Zuspieler ist dann aber auszuschalten.
- Alternativ, kann natürlich versucht werden auf einem Kanalwahl-Schalter des Radios eine „ruhige“ Empfangsfrequenz zu suchen und diesen Kanal zu wählen, wenn das andere Zuspielgerät wiedergeben werden soll.
- Wenn normales AM-Radio widergegeben werden soll ist der Kippschalter umzulegen und das Zuspiel-Gerät auszuschalten oder abzukoppeln. Mit dem Schalter an der Vorderseite wird dann „ganz normal“ zwischen AM und FM gewählt.
Benötigte Bauteile:
- 3,5mm Klinkenstecker oder ein Kabel mit Klinkenstecker von einem alten Ohrhörer (meine Empfehlung)
- 2 Widerstände 100Ohm, ¼ Watt
- 2 Widerstände 47Ohm, ¼ Watt
- 1 Stereo-Potentiometer 10kOhm
- 2 Bipolar-Elkos; 20 Mikro-Farad, 100V
- abgeschirmtes Stereo-Kabel und etwas einfache Litze
- Silikonschlauch oder Schrumpfschlauch; 3…4mm Durchmesser
- Silikonschlauch oder Schrumpfschlauch; 7…8mm Durchmesser
- optional: Isolierband
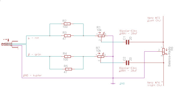
Schaltungsbeschreibung:
- Die Ausgangssignale des Zuspieler-Geräts (im Schaltplan linker Kanal – rotes Kabel; rechter Kanal – grünes Kabel des Klinkensteckers) werden jeweils über einen Reihenwiderstand von 32Ohm den beiden äußeren „rechten“ Anschlüsse des Stereo-Potentiometers (R1, R7) zugeführt. Die anderen äußeren (linken) Anschlüsse des Stereo-Potentiometers sind mit Masse zu verbinden.
- Die 32Ohm Widerstände werden dabei jeweils durch die Parallelschalung von einem 47Ohm und einem 100Ohm Widerstand gebildet (R2//R3 sowie R4//R5).
Den 32Ohm Widerstand gibt es nicht in der Standard-Widerstandsreihe und ist daher nicht leicht, kostengünstig aufzutreiben; deswegen die Parallelschaltung. - Das GND-Signal des Klinkensteckers wird, über einen gemeinsamen Massepunkt am Poti, mit der Masse des Radios verbunden.
- Das Signal von den Schleifkontakten des Stereo-Potentiometers (R1, R7) wird über zwei Bipolar-Elkos an den linken und rechten Kanal des Balance-Reglers (R6) angeschlossen.
- Dazu vom Stereopotentiometer (R1,R7) eine Verbindung mit einem Stereokabel zunächst zu zwei Bipolar-Elkos – für jeden Kanal eins - herstellen.
Die Bipolar-Elkos sind hier erforderlich, da sich - je nach Schaltung der Endstufe des Zuspielers und weil es eine Masse-Verbindung zwischen Radio und Zuspieler gibt – positive und negative Potentialdifferenzen ergeben können.
Weiterhin liefern die Kondensatoren eine (Geichstrom-) Entkopplung der Schaltkreise (Radio / Zuspieler). Wenn der Kondensator zu klein gewählt wird, werden die tiefen Töne zu stark gedämpft – es zwitschert. Ich habe mit Werten zwischen ca. 2 Mikro-Farad und ca. 50 Mikro-Farad gute Ergebnisse erzielt und daher einen Mittelwert gewählt.
Für besondere Zuspieler können ggf. andere (größere) Werte hilfreich sein. - Die Ausgänge der Bipolar-Elkos werden dann auf der Rückseite der Platine für die Lautstärke/Klangregelungsplatine wie auf Bild #4 gezeigt verbunden.
Im Original-Schaltplan sind das die Stromläufe
- #72 (left Channel – im Bild #4 auf der rechten Seite der Platine)
- #76 (right Channel – im Bild #4 auf der linken Seite der Platine) - Es ist dann noch eine Masse-Verbindung für die Abschirmung des Stereo-Kabels mit einem Massepunkt auf der Platine herzustellen (im Bild #4 unten).
- Dazu vom Stereopotentiometer (R1,R7) eine Verbindung mit einem Stereokabel zunächst zu zwei Bipolar-Elkos – für jeden Kanal eins - herstellen.
- Hinweis zu den Reihenwiderständen in den Signalkreisen:
Wenn das Balance-Potentiometer (R6) ganz nach rechts oder links eingestellt ist, liegt der Schleifer auf Masse. Je nachdem, wie jetzt das Anpassungspotentiometer (R1,R7) eingestellt ist, könnte das Wechselstrom-Signal niederohmig mit der Masse verbunden sein. Daher wurde in beiden Eingangskreisen der 32Ohm Anpassungs-Widerstand vorgesehen. Das Gleichstrom-Signal ist über den Bipolar-Elko entkoppelt. - Hinweis zur Einstellung des Anpassungspotentiometers (R1,R7):
- Das Anpassungspotentiometers (R1,R7) ist, ggü. Masse, parallel zum Balance-Regler (R6) geschaltet. Daher wird die Gesamtlautstärke des Radios leiser, wenn das Anpassungspotentiometer auf einen sehr kleinen Wert eingestellt wird. Das sollte vermieden somit werden. Es lässt sich aber für sehr kräftige Zuspieler nicht vermeiden, da es sonst zu Verzerrungen kommt.
- Für die von mir angedachten Ohrhörer-Ausgänge, konnte das Anpassungspotentiometer auf große Werte (ganz rechts) eingestellt werden, ohne dass Verzerrungen entstanden. Die Auswirkungen auf die Gesamtlautstärke waren sehr gering.
- Die Einstellung des Anpassungspotentiometers (R1,R7) sollte bei hoher Lautstärke des Zuspiel-Geräts erfolgen. Der Pegel kann dann soweit heruntergedreht werden, dass es selbst bei hoher Lautstärke am Radio keine schädlichen Verzerrungen gibt.
Schaltplan:
[/url]
Signalbelegung 3,5mm Klinkenstecker:
[/url]
Hinweise zum Auf- & Einbau – Teil 1:
Bild #1:
Anschluss rechter und linker Kanal vom AUX-In Stecker (dünne schwarze Kabel) an die äußeren Kontakte des Stereo-Potentiometers, jeweils über Reihenwiderstände (32 Ohm).
Anschluss der Stereo-Leitung (dicke schwarze Kabel) am mittleren Schleifkontakt des Potis. Die Leitung führt zu den Bipolar-Elkos auf der Klangregelplatine.
[/url]
Bild #2:
Masseleitungen vom AUX-In Kabel und der Stereoverbindung am gegenüberliegenden äußeren Kontakt des Stereopotentiometers angeschlossen.
[/url]
Bild #3:
Verbindung der Signal-Leitungen der Stereoverbindung mit den Biploar-Elkos – in der Bildmitte.
Masseverbindung des Abschirmkabels auf der Klangregelplatine – im Bild unten
[/url]
Bild #4:
Verbindung der Bipolar-Elkos mit dem linken und rechten Kanal des Radios, auf der Klangregelplatine.
- linker Kanal (#72) im Bild rechts.
- rechter Kanal (#76) im Bild links
[/url]
Bild #5:
Mechanischer Einbau von Potentiometer und Schalter auf der rechten, unteren Seite (von vorne gesehen).
[/url]
Bild #6:
Gesamtansicht und Verlegung der Kabel.
[/url]
Bild #7:
Gesamtansicht zur Einbauposition von außen.
[/url]
Hinweise zum Auf- & Einbau – Teil 2:
Im folgenden Beitrag in diesem Thread wird der elektrischen Anschluss des Schalters beschrieben.
Referenz:
Nachrüstung: AUX-In für Originalradio 65/66
Weitere Detail-Bilder:
https://app.box.com/s/o839dvr2pqaa4ot6pekqiomqsdd18d0d
Versions-Übersicht:
#1 - 02.02.2015




